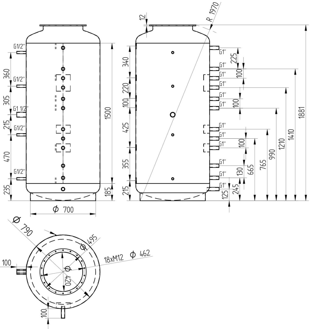
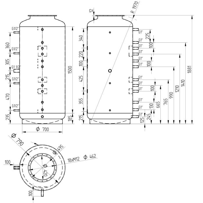
Akumulační nádrž 800l MT0, d790 +DN32
Akumulační nádoba MT0 je vhodným řešením pro „uskladnění“ přebytečného tepla. Tato nádoba umožňuje napojení na více tepelných zdrojů, např. tepelné čerpadlo.Tato nádoba je speciálně konstruována pro spirály pro ohřev TUV.
Detailní popis Akumulační nádrž 800l MT0, d790 +DN32
- Provozní teplota / tlak: 0-95 °C / 3 bar
- Materiál pláště: S235 JRG2
- Materiál klenutého dna: S235 JRG2
- Povrchová úprava: Syntetická barva
- Připojovací závit: DIN ISO 228-1
- Volitelné příslušenství: Izolace z kvalitní filcové izolace o tloušce 100 mm (16kg/m³) a odnímatelný kryt opatřený zipem.
HMV-DN32 je systém pro ohřev teplé užitkové vody. Trubice vyrobená z austeniticko chrómniklové nerezové oceli zajišťuje dokonalý přenos teploty a zároveň zaručuje dlouhodobou odolnost proti korozi.
- Rozměr: DN32
- Tepelná přenosová plocha: 6,25 m²
- Průtok vody: 72 l/min
- Provozní tlak: 8 bar
- Provozní teplota: 90 °C, při použití speciálního těsnění 200 °C
- Materiál: AISI 304 DIN 1.4404 EN 10888/2
Bližší specifikace šroubovacích topných jednotek TJ 6/4 “ - ZDE
Bližší specifikace nádrží, popis a vysvětlení pojmů a zkratek získáte zde.
- Materiál pláště: OCEL
- Průměr nádoby (mm): 790
- Manipulační výška (mm): 1970
- Výška (mm): 1881
- Objem (l): 800
- Kategorie: akumulační nádrže 800l
- Další kategorie: do 200 cm
- Další kategorie: s ohřevem TUV
Vybírejte z podobných produktů
Doprava po celé ČR a SK
Spolehlivá paletová doprava s autem vybaveným čelem pro pohodlné vykládání.
15 let historie
Stabilní a ověřený partner s dlouholetou tradicí na trhu s vysokými nároky na kvalitu.
Skladem a připraveno k expedici
Široká nabídka akumulačních nádrží v různých velikostech a typech ihned k odeslání.
Osobní odběr ve Svitavách
Možnost rychlého a snadného vyzvednutí zboží přímo v našem skladu.
LU-MI servis s.r.o.
Průmyslová 455/17, Lačnov (mapa)
Svitavy 568 02
Česká republika
O nakupování & účet
Co byste měli vědět



