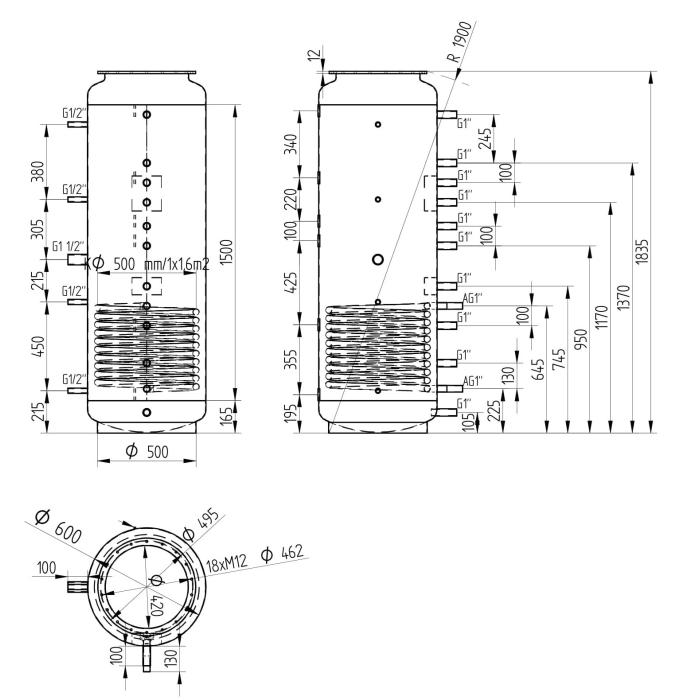
Akumulační nádrž 500l MT1, d600 +DN32
- Výprodej
- Sleva
Akumulační nádoba MT1 zajistí rovnoměrné a efektivnější využití vyprodukovaného tepla, a tím snížení nákladů na vytápění.Tato nádoba je speciálně konstruována pro výměníky.Napojení je možné na solární kolektory,tepelné čerpadlo a TUV.
Detailní popis Akumulační nádrž 500l MT1, d600 +DN32
- Provozní teplota / tlak: 0-95 °C / 3 bar
- Materiál pláště: S235 JRG2
- Materiál klenutého dna: S235 JRG2
- Povrchová úprava: Syntetická barva
- Připojovací závit: DIN ISO 228-1
- Volitelné příslušenství: Izolace z kvalitní filcové izolace o tloušce 100 mm (16kg/m³) a odnímatelný kryt opatřený zipem.
HMV-DN32 je systém pro ohřev teplé užitkové vody. Trubice vyrobená z austeniticko chrómniklové nerezové oceli zajišťuje dokonalý přenos teploty a zároveň zaručuje dlouhodobou odolnost proti korozi.
- Rozměr: DN32
- Tepelná přenosová plocha: 6,25 m²
- Průtok vody: 72 l/min
- Provozní tlak: 8 bar
- Provozní teplota: 90 °C, při použití speciálního těsnění 200 °C
- Materiál: AISI 304 DIN 1.4404 EN 10888/2
Bližší specifikace šroubovacích topných jednotek TJ 6/4 “ - ZDE
Bližší specifikace nádrží, popis a vysvětlení pojmů a zkratek získáte zde.
- Materiál pláště: OCEL
- Průměr nádoby (mm): 600
- Manipulační výška (mm): 1900
- Výška (mm): 1835
- Objem (l): 500
- Kategorie: akumulační nádrže 500l
- Další kategorie: do 200 cm
- Další kategorie: s ohřevem TUV
Vybírejte z podobných produktů
Doprava po celé ČR a SK
Spolehlivá paletová doprava s autem vybaveným čelem pro pohodlné vykládání.
15 let historie
Stabilní a ověřený partner s dlouholetou tradicí na trhu s vysokými nároky na kvalitu.
Skladem a připraveno k expedici
Široká nabídka akumulačních nádrží v různých velikostech a typech ihned k odeslání.
Osobní odběr ve Svitavách
Možnost rychlého a snadného vyzvednutí zboží přímo v našem skladu.
LU-MI servis s.r.o.
Průmyslová 455/17, Lačnov (mapa)
Svitavy 568 02
Česká republika
O nakupování & účet
Co byste měli vědět




