Akumulační nádrž 200l MG0, d400
Akumulační nádoba MG0 je vhodným řešením pro „uskladnění“ přebytečného tepla. Akumulační nádoba zajistí rovnoměrné a efektivnější využití vyprodukovaného tepla, a tím snížení nákladů na vytápění.
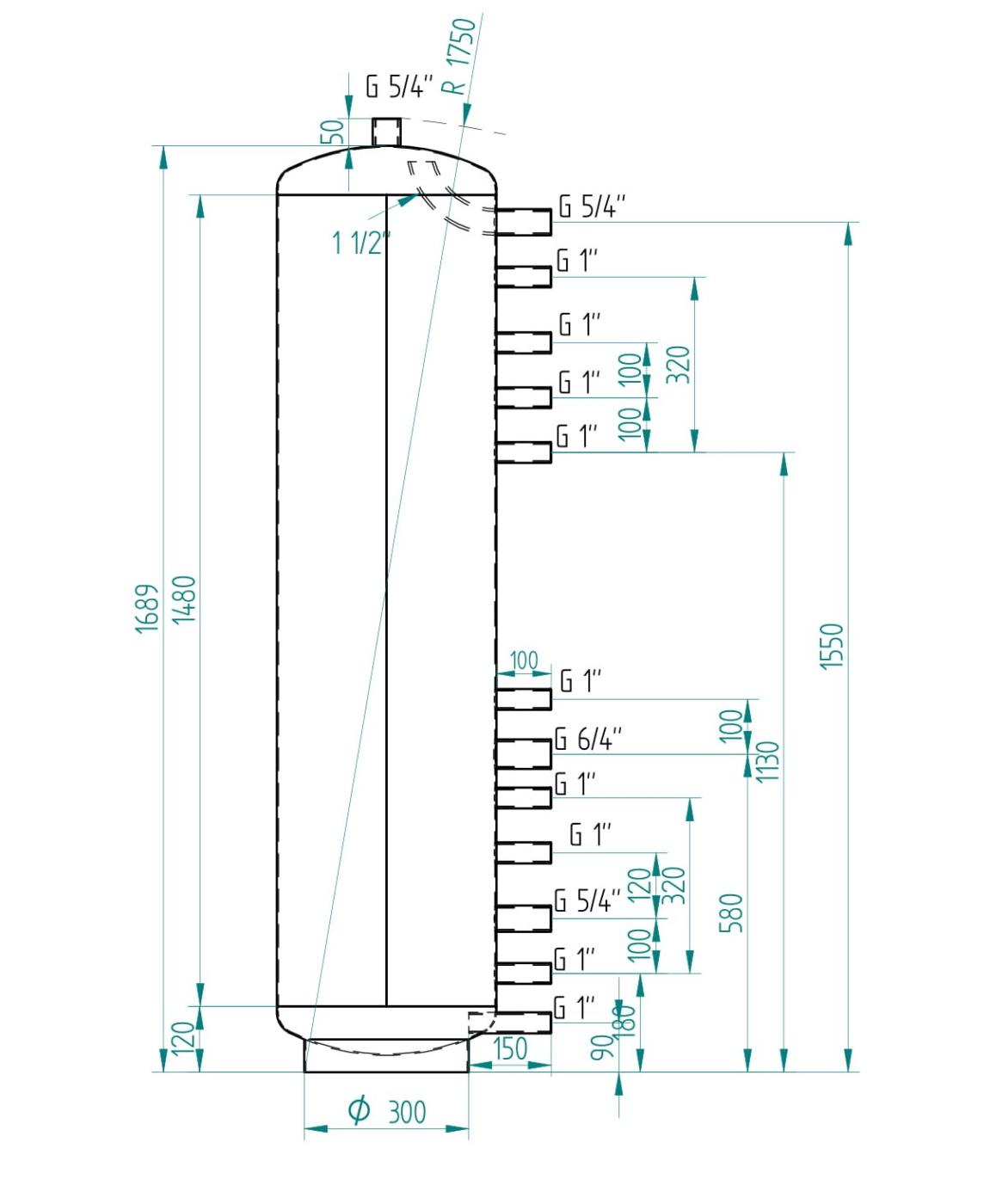
Detailní popis Akumulační nádrž 200l MG0, d400
- Provozní teplota / tlak: 0-95 °C / 3 bar
- Materiál pláště: S235 JRG2
- Materiál klenutého dna: S235 JRG2
- Povrchová úprava: Syntetická barva
- Připojovací závit: DIN ISO 228-1
- Volitelné příslušenství: Izolace z kvalitní filcové izolace o tloušce 100 mm (16kg/m³) a odnímatelný kryt opatřený zipem.
Bližší specifikace šroubovacích topných jednotek TJ 6/4 “ - ZDE
Bližší specifikace nádrží, popis a vysvětlení pojmů a zkratek získáte zde.
- Materiál pláště: OCEL
- Průměr nádoby (mm): 400
- Manipulační výška (mm): 1750
- Výška (mm): 1689
- Objem (l): 200
- Kategorie: akumulační nádrže 200l
- Další kategorie: bez výměníku
- Další kategorie: do 180 cm
Vybírejte z podobných produktů
Doprava po celé ČR a SK
Spolehlivá paletová doprava s autem vybaveným čelem pro pohodlné vykládání.
15 let historie
Stabilní a ověřený partner s dlouholetou tradicí na trhu s vysokými nároky na kvalitu.
Skladem a připraveno k expedici
Široká nabídka akumulačních nádrží v různých velikostech a typech ihned k odeslání.
Osobní odběr ve Svitavách
Možnost rychlého a snadného vyzvednutí zboží přímo v našem skladu.
LU-MI servis s.r.o.
Průmyslová 455/17, Lačnov (mapa)
Svitavy 568 02
Česká republika
O nakupování & účet
Co byste měli vědět



