Jednofázová šroubovací topná jednotka TJ 6/4“ - 2,5kW
Dostupnost: Skladem u dodavatele (expedice do 3 dnů)
Kód: GIE1002
Jednofázová šroubovací topná jednotka TJ 6/4“ – 2,5kW prodloužená chladící část izolovaná + flexo šňůra L1=405mm
Detailní popis Jednofázová šroubovací topná jednotka TJ 6/4“ - 2,5kW
✏️ Popis topné jednotky:
- Šroubovací elektrická topná jednotka je určena výhradně k ohřevu vody. Je konstruována jako přídavný zdroj ohřevu akumulačních nádrží zapojených v systému bez solárních kolektorů ale také se solárními kolektory. Nesmí se použít do nerezových nádrží. Typy s prodlouženou chladící částí lze použít pouze do ocelových akumulačních nádrží.
- Vodu ohřívá trubkové topné těleso. V jímce jsou umístěna čidla bezpečnostního a provozního termostatu (oba přístroje jsou v jednom bloku). Provozní termostat řídí nastavenou teplotu vody. Při jeho poruše vypne bezpečnostní termostat přívod elektrické energie ve všech pólech v teplotním rozsahu 0 - 90 °C.
✏️ Fotovoltaika a topné jednotky s akumulačními nádržemi:
- Topné jednotky je možné efektivně využít ve spojení s fotovoltaickými elektrárnami (FVE). Díky možnosti z napájení z přebytků elektrické energie z FVE představuje vhodné řešení pro maximalizaci energie.
Topné jednotky jsou na střídavý proud, nelze zapojit na stejnosměrný přímo z panelů!
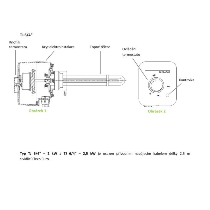
✏️ Složení topné jednotky a schéma s tabulkou velikostí:
- Topná jednotka se skládá z elektrického topného tělesa s připojovacím závitem G 6/4“
- Topná tělesa jsou izolovaně oddělena od kovové hlavy s připojovacím závitem. Je osazen rezistor svodového/uzemňovacího proudu který je součástí katodické ochrany nádrže proti její korozi.
- Provedení topného tělesa částečně vyrovnává vzniklý rozdíl potenciálu elektrochemické reakce v nádrži naplněné vodou a topným prvkem. Prodlužuje se životnost anody, zvyšuje odolnost topného tělesa/prvku.
- Pod krytem elektroinstalace je umístěn provozní termostat, bezpečnostní termostat, kontrolka chodu tělesa a připojovací svorkovnice.
✏️ Obsluha topné jednotky:
- Jednoduché ovládání TJ 6/4“ spočívá pouze v nastavení požadované teploty na ovládacím knoflíku termostatu. Rozsah nastavení 5 - 74 °C. Doporučená nastavená teplota je cca 60 °C. Symbol * pojistka proti zamrznutí 5-8 °C. Svítící kontrolka signalizuje těleso v chodu.
✏️ Výrobek není určen pro ovládání:
- s nedostatečnými znalostmi a zkušenostmi, nejsou-li pod dohledem zodpovědné osoby nebo nebyly-li jí řádně proškoleny.
- Kategorie: Příslušenství
Vybírejte z podobných produktů
Doprava po celé ČR a SK
Spolehlivá paletová doprava s autem vybaveným čelem pro pohodlné vykládání.
15 let historie
Stabilní a ověřený partner s dlouholetou tradicí na trhu s vysokými nároky na kvalitu.
Skladem a připraveno k expedici
Široká nabídka akumulačních nádrží v různých velikostech a typech ihned k odeslání.
Osobní odběr ve Svitavách
Možnost rychlého a snadného vyzvednutí zboží přímo v našem skladu.
LU-MI servis s.r.o.
Průmyslová 455/17, Lačnov (mapa)
Svitavy 568 02
Česká republika
O nakupování & účet
Co byste měli vědět





